
SYDL系列80法兰数据参数
| 型号 | 额定电压UN(V) | 额定功率PN(KW) | 额定转速Nn(r/min) | 额定扭矩MN(Nm) | 额定电流IN(A) | 惯量(无制动)J(10-4Kgm2) | 惯量(带制动)JP(10-4Kgm2) | 重量(无制动)M(KG) | 重量(带制动)MP(KG) | 极数 |
| SYDL080-0075H30 | 380VAC | 0.75 | 3000 | 2.39 | 2.8 | 1.3 | 1.5 | 2.50 | 3.40 | 10 |
| SYDL080-0075L30 | 220VAC | 0.75 | 3000 | 2.39 | 4.5 | 1.3 | 1.5 | 2.50 | 3.40 | 10 |
| SYDL080-0075Q30 | 72VDC | 0.75 | 3000 | 2.39 | 13.2 | 1.3 | 1.5 | 2.50 | 3.40 | 10 |
| SYDL080-0075S30 | 48VDC | 0.75 | 3000 | 2.39 | 18.5 | 1.3 | 1.5 | 2.50 | 3.40 | 10 |
| SYDL080-0075T30 | 24VDC | 0.75 | 3000 | 2.39 | 34.2 | 1.3 | 1.5 | 2.50 | 3.40 | 10 |
| SYDL080-0100H30 | 380VAC | 1.00 | 3000 | 3.18 | 2.9 | 1.75 | 1.95 | 3.20 | 3.90 | 10 |
| SYDL080-0100L30 | 220VAC | 1.00 | 3000 | 3.18 | 5.5 | 1.75 | 1.95 | 3.20 | 3.90 | 10 |
| SYDL080-0100Q30 | 72VDC | 1.00 | 3000 | 3.18 | 17.8 | 1.75 | 1.95 | 3.20 | 3.90 | 10 |
| SYDL080-0100S30 | 48VDC | 1.00 | 3000 | 3.18 | 24.5 | 1.75 | 1.95 | 3.20 | 3.90 | 10 |
| SYDL080-0100T30 | 24VDC | 1.00 | 3000 | 3.18 | 47.0 | 1.75 | 1.95 | 3.20 | 3.90 | 10 |
| SYDL080-0150H30 | 380VAC | 1.50 | 3000 | 4.78 | 4.4 | 2.4 | 2.7 | 4.00 | 4.80 | 10 |
| SYDL080-0150L30 | 220VAC | 1.50 | 3000 | 4.78 | 8.8 | 2.4 | 2.7 | 4.00 | 4.80 | 10 |
| SYDL080-0150Q30 | 72VDC | 1.50 | 3000 | 4.78 | 26.5 | 2.4 | 2.7 | 4.00 | 4.80 | 10 |
| SYDL080-0150S30 | 48VDC | 1.50 | 3000 | 4.78 | 40.0 | 2.4 | 2.7 | 4.00 | 4.80 | 10 |
| SYDL080-0200H30 | 380VAC | 2.00 | 3000 | 6.37 | 5.8 | 3.5 | / | 5.2 | / | 10 |
| SYDL080-0200L30 | 220VAC | 2.00 | 3000 | 6.37 | 11.0 | 3.5 | / | 5.2 | / | 10 |
| SYDL080-0200Q30 | 72VDC | 2.00 | 3000 | 6.37 | 35.4 | 3.5 | / | 5.2 | / | 10 |
| SYDL080-0200S30 | 48VDC | 2.00 | 3000 | 6.37 | 50.0 | 3.5 | / | 5.2 | / | 10 |
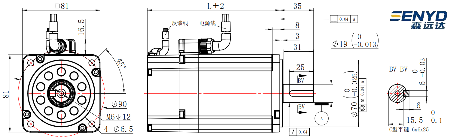
SYDL系列80法兰尺寸图

型号 | 电机长度L(无制动器) | 电机长度L(带制动器) |
SYDL080-0075X30 | 118 | 160 |
SYDL080-0100X30 | 138 | 180 |
SYDL080-0150X30 | 180 | 205 |
SYDL080-0200X30 | 205 | / |
SYDL系列匹配驱动器

- 工作环境温度: -40°C 到 +50°C
- 供电电源: 直流24-80VDC 交流40-120VDC
- 控制方式:脉冲/模拟量控制 内置编程
- 通讯接口:CAN:CanOpen & Modbus EC:EtherCAT& Modbus
GET IN TOUCH
在线留言




